Product Category
- 1เครื่องวัดและบันทึกข้อมูลการสั่นสะเทือน
Shock & Vibration Data Logger - 2เครื่องวัดและบันทึกข้อมูล
Data Logger - 3เครื่องบันทึกข้อมูล
Data Recorder - 4ตัวแปลงสัญญาณ-ทั่วไป
Data Logger Acquisition - 5เครื่องวัดและบันทึกข้อมูลขนาดจิ๋ว-2 ล้านrecords
Mini Data Logger - 6Data logger สำหรับห้องเย็นขนส่งใช้ได้ไม่จำกัดจำนวนครั้ง
- 7Data logger สำหรับห้องเย็นขนส่งใช้ได้ครั้งเดียว(ทิ้ง)
- 8Data logger-GHM
- 9Data logger-Novus
- 10Data logger-Peaktech
- 11Data logger-Deltaohm
- 12Data logger - Elitech
- 13อื่นๆ
Other
3
>>
เครื่องบันทึกข้อมูล
>>
เครื่องบันทึกข้อมูล แบบติดตั้ง
[1]
>>
3
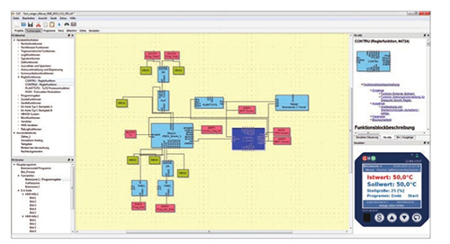
Multifunction controller GHM-ONE MSR9696H


- Visualisation system with 3.5“ TFT display
- Control unit with 4 function keys and touch display
- Modular I/O concept
- PID control function
- Multi-Loop system
- Profiler function
- Process control with more than 100 functions
- Process calculation with mathematical library
- Screen recorder function
- Data logger function
- Communications card with various field buses


.jpg)
.jpg)



